一般来说,大功率电阻器可以代替电路中具有相同值的小功率电阻器。对于有温度要求的场合,应考虑电阻器的工作温度。例如,金属膜电阻器可在125℃以下长时间工作,而碳膜电阻器仅适用于70℃以下的温度;普通电阻器不能用来代替精密电阻器。用于对保护电路进行采样的电阻应替换为原值和等功率电阻

一般来说,大功率电阻器可以代替电路中具有相同值的小功率电阻器。对于有温度要求的场合,应考虑电阻器的工作温度。例如,金属膜电阻器可在125℃以下长时间工作,而碳膜电阻器仅适用于70℃以下的温度;普通电阻器不能用来代替精密电阻器。用于对保护电路进行采样的电阻应替换为原值和等功率电阻

一般来说,大功率电阻器可以代替电路中具有相同值的小功率电阻器。对于有温度要求的场合,应考虑电阻器的工作温度。例如,金属膜电阻器可在
1、流过各电阻的电流相等。2、串联电阻上的总电压等于各电阻上的电压之和。3、串联电阻的总电阻等于各电阻之和。
采样电阻器用于获得目标电压值并将其与标准电压进行比较。反馈电阻器用于以电压或电流的形式将输出电压反馈到输入端子,并相应地
检测电阻器的这八种方法,你知道吗?近年来,各种电子设备层出不穷,给我们的生活带来了极大的便利。在各种电子设备中使用最广泛的部件可能是电
一:根据电阻温度系数进行识别 我们可以通过碳膜电阻具有负的温度系数特征来进行区分,金属膜电阻具有较小的正温度系数这
在电子电路设计中,分流器电阻是一种常见的元件,主要用于测量电流。它通过将一小部分电流从主电路引导到另一个路径来实现这一功能,从而使得我
识别低阻值喷油器的实用方法对于维修技师或汽车爱好者而言,准确识别喷油器是否为低阻值类型至关重要。错误的替换或测试可能导致系统故障甚至损
电子元器件检测方法电子元器件的检测是家电维修的一项基本技能,而安防行业的许多工程维修技术实际上都是从家电维修技术中衍生出来的,要么借鉴
贴片电阻上的丝印有纯数字、数字与R组合、数字与除R之外的字母组合的,但大家知不知道这样的标注与贴片电阻的i精度相关?同一个阻值因为精度不同
空调外部单元电容器的安装方法空调机组的电容器是一个重要的电子元件,可以帮助电机更高效、更稳定地运行。安装空调机组电容器时,需要注意以下
土壤电阻率是接地工程的重要参数,我们在设计、计算接地装置时应首先测量当地的土壤电阻率,并搞清土壤率在地面水平各方向的变化以及垂直方向的
测量绝缘电阻的正确方法测量绝缘电阻是一种常见的电阻测量应用,用于评估电气设备或电路的绝缘性能。绝缘电阻测量通常使用万用表或专用绝缘电阻
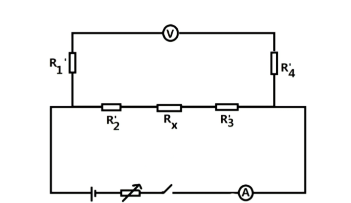
(1) 伏安法、双桥法和双“单桥”法可用于测量低电阻,这些方法的测量结果相当一致。(2) 当通过伏安法测量低电阻时,为了在待测电阻上获得较大
SGM5347-8具有8通道8位数模转换器(DAC)和输出放大器。输出放大器提供高电流驱动能力数字数据通过串行链路总线输入三条控制线可以使用级联连接除了
在当今高度依赖电子设备的时代,确保系统的稳定性和可靠性变得尤为重要。耐冲击电阻是衡量系统在面对外界物理冲击时保持正常运行能力的一个关键
薄膜电流感应芯片在现代电子设备中扮演着重要角色,尤其是在需要高精度、高稳定性的电流测量场合。这些芯片通常包含精密的电阻元件,用于将电流
测量绝缘电阻的正确方法、步骤和注意事项是什么绝缘电阻测试是电气工程中常用的安全测试,用于评估电气设备或电路的绝缘性能。正确的绝缘电阻测
制动电阻发热的原因是什么?制动电阻器的严重发热表明短时间内用于制动的能量过高,这可能是由于负载储能过多、制动时间短或频繁制动(由于工作
电流传感器测量原理测量原理:CT电流传感器CT 电流传感器使用将被测电流转换为与匝数比成正比的次级电流的原理。测量原理:与匝数比成正比的交流
冲击接地电阻高于工频电阻的深层机制与优化路径在防雷接地系统设计中,一个常见且关键的现象是:冲击接地电阻往往显著高于工频接地电阻,其根本
